400-850-5500
Fused fittings

Home » Product » Fused fittings

Polyethylene pipe Fused fittings Metal Reinforced Pipe PE water Pice/Gas Pipe

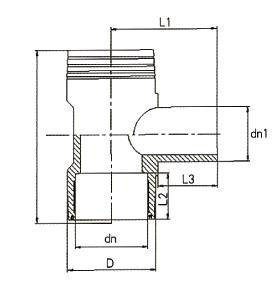
Electric-Melting Reducing Tee

Updated Date:2019-06-12

A Fused Polyethylene Pipe Fitting With Observation Hole Structure , Including Electric Melting Pipe Body , A Copper Electrode,An Observation Hole, A Resistance Wire, Providing A Hidden Electric Wire. Electric Melting Plastic Pipe . It Is The Plastic Pipe Fittings On Both Ends Of Pipe Wall Hidden Injection Electric Wire, Are Connected With Both Ends Of The Electric Plug.

Electric-Melting Reducing Tee

MWP(maximum working pressure):1.6Mpa-water/ 1.0Mpa-fuel gas。

Fused fittings series:SDR11  SDR17

Copyright © 20015-2016,www.xjyzyd.com,All rights reserved All rights reserved JiangSu ShuangTeng Pipe Industry Co.,Ltd

Record N Varchar :蘇ICP備15043799號-1

91香蕉视频在线观看-91香蕉视频黄色下载-91香蕉视频下载污版-香蕉91视频下载